Sold Out
駿河精機 ゴニオステージ KS501-60TL-9
商品コード
51757
商品の概要と仕様
移動量:±5°
ステージ面サイズ:60×60mm
移動機構(減速比):ウォームギア(1/360)
材質-表面処理:アルミ‐黒アルマイト
回転中心高さ:125mm±0.2mm
耐荷重:5.0kgf(49.0N)
ステージ高さ:25mm
分解能:0.0020°/パルス (Full)
使用モータ:PMM33BH2-C16
モーター後部にハンドルが付いているため、手回しによる微調整が可能です。
コンパクトなボディの中に、CWリミット、CCWリミット、原点の計3つのセンサが内蔵されています。
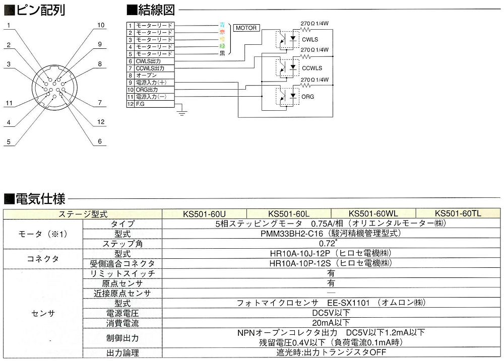
内部結線図についてはこちらをご覧ください。
ドライバは付属しませんが、組み合わせ可能なドライバをご用意しております。あわせてご検討ください。
・メレック 5相ステッピングモータドライバ DB-5410
・オリエンタルモーター 5相ステッピングモータードライバ SD5107P3
・オリエンタルモーター 5相ステッピングモータードライバ UDK5107NW2
・オリエンタルモーター 5相ステッピングモータードライバ RKD507-A
・オリエンタルモーター 5相ステッピングモータードライバ UDX5107N
ステージ面サイズ:60×60mm
移動機構(減速比):ウォームギア(1/360)
材質-表面処理:アルミ‐黒アルマイト
回転中心高さ:125mm±0.2mm
耐荷重:5.0kgf(49.0N)
ステージ高さ:25mm
分解能:0.0020°/パルス (Full)
使用モータ:PMM33BH2-C16
モーター後部にハンドルが付いているため、手回しによる微調整が可能です。
コンパクトなボディの中に、CWリミット、CCWリミット、原点の計3つのセンサが内蔵されています。
内部結線図についてはこちらをご覧ください。
ドライバは付属しませんが、組み合わせ可能なドライバをご用意しております。あわせてご検討ください。
・メレック 5相ステッピングモータドライバ DB-5410
・オリエンタルモーター 5相ステッピングモータードライバ SD5107P3
・オリエンタルモーター 5相ステッピングモータードライバ UDK5107NW2
・オリエンタルモーター 5相ステッピングモータードライバ RKD507-A
・オリエンタルモーター 5相ステッピングモータードライバ UDX5107N
商品の状態
●接続例
下記の図の一番上の回路は、コントローラにArduino+CNCシールド(Amazonで現時点で2,630円)、ドライバにRKD507-Aを使用しています。「Arduinoでメカトロニクス製品を動かそう」では、Arduinoで動かす場合の詳細なご説明をしています。ぜひご覧ください。
中央の回路は、コントローラにSG8030J、ドライバにDB-5410を使用しています。SG8030Jは、スイッチを押している間だけ運転させたり、あらかじめ設定したデータを外部信号で選択して位置決め運転させるといったことが簡単にできます。この回路の場合は、スイッチを押している間だけ運転させる例です。「位置決め運転方式」の設定を「順送り位置決め(tyP-S)」にした上で、CWスキャンをONさせると、CW方向に回転、CCWスキャンをONさせると、CCW方向に回転します。
一番下の回路は、コントローラに当社のパルス変換IC、ドライバにDB-5410を使用しています。手動パルサ(ハンドル)に連動してステージが動くので、顕微鏡の拡大映像をモニタで確認しながら対象物の観察や検査をしたいときに便利です。手動パルサはこちら(Amazon)から購入できます。

●商品の状態
多少汚れやキズがありますが、ほとんど使用感がなく精度は保たれています。
実際にドライバ(DB-5410)に接続し、正確な位置決め運転ができること、及び、内蔵センサ(CWリミット、CCWリミット、原点の3つのセンサ)が正常に動作することを確認しています。
ドライバは付属しません。また、型番には「-9(オプションコード)」と表記されていますが、ケーブルは付属しません。
コネクタ(HR10A-10P-12S73)を1個付属します。
下記の図の一番上の回路は、コントローラにArduino+CNCシールド(Amazonで現時点で2,630円)、ドライバにRKD507-Aを使用しています。「Arduinoでメカトロニクス製品を動かそう」では、Arduinoで動かす場合の詳細なご説明をしています。ぜひご覧ください。
中央の回路は、コントローラにSG8030J、ドライバにDB-5410を使用しています。SG8030Jは、スイッチを押している間だけ運転させたり、あらかじめ設定したデータを外部信号で選択して位置決め運転させるといったことが簡単にできます。この回路の場合は、スイッチを押している間だけ運転させる例です。「位置決め運転方式」の設定を「順送り位置決め(tyP-S)」にした上で、CWスキャンをONさせると、CW方向に回転、CCWスキャンをONさせると、CCW方向に回転します。
一番下の回路は、コントローラに当社のパルス変換IC、ドライバにDB-5410を使用しています。手動パルサ(ハンドル)に連動してステージが動くので、顕微鏡の拡大映像をモニタで確認しながら対象物の観察や検査をしたいときに便利です。手動パルサはこちら(Amazon)から購入できます。
●商品の状態
多少汚れやキズがありますが、ほとんど使用感がなく精度は保たれています。
実際にドライバ(DB-5410)に接続し、正確な位置決め運転ができること、及び、内蔵センサ(CWリミット、CCWリミット、原点の3つのセンサ)が正常に動作することを確認しています。
ドライバは付属しません。また、型番には「-9(オプションコード)」と表記されていますが、ケーブルは付属しません。
コネクタ(HR10A-10P-12S73)を1個付属します。
在庫数
売り切れ