Sold Out
Arduinoで動くアクチュエータ SUS XA-35H-150+XA-ED1-Ro
商品コード
51799
商品の概要と仕様
ストローク:150mm
ボールねじの径:Φ6mm(転造ねじ)
ボールねじリード:6mm
バックラッシ:0.05mm以下
ガイド:リニアガイド
最大速度:150mm/sec
位置繰返し精度:±0.05mm
原点センサ:磁気近接タイプ内蔵
メーカー希望小売価格:25,500円(本体)+8,000円(XA-ED1-Ro)
詳細はこちら(メーカーのカタログ・PDF)をご覧ください。
ボールねじの径:Φ6mm(転造ねじ)
ボールねじリード:6mm
バックラッシ:0.05mm以下
ガイド:リニアガイド
最大速度:150mm/sec
位置繰返し精度:±0.05mm
原点センサ:磁気近接タイプ内蔵
メーカー希望小売価格:25,500円(本体)+8,000円(XA-ED1-Ro)
詳細はこちら(メーカーのカタログ・PDF)をご覧ください。
商品の状態
以降の説明は、下記を前提としています。
・Arduino+CNCシールドは、こちら(Amazon)から購入したものを使用しています。
・そのArduinoには、最新版(v1.1)のGrblをアップロードしています。
このページでは大まかな説明のみとなっておりますので、より詳しい内容は、「Arduinoでメカトロニクス製品を動かそう」をご覧ください。
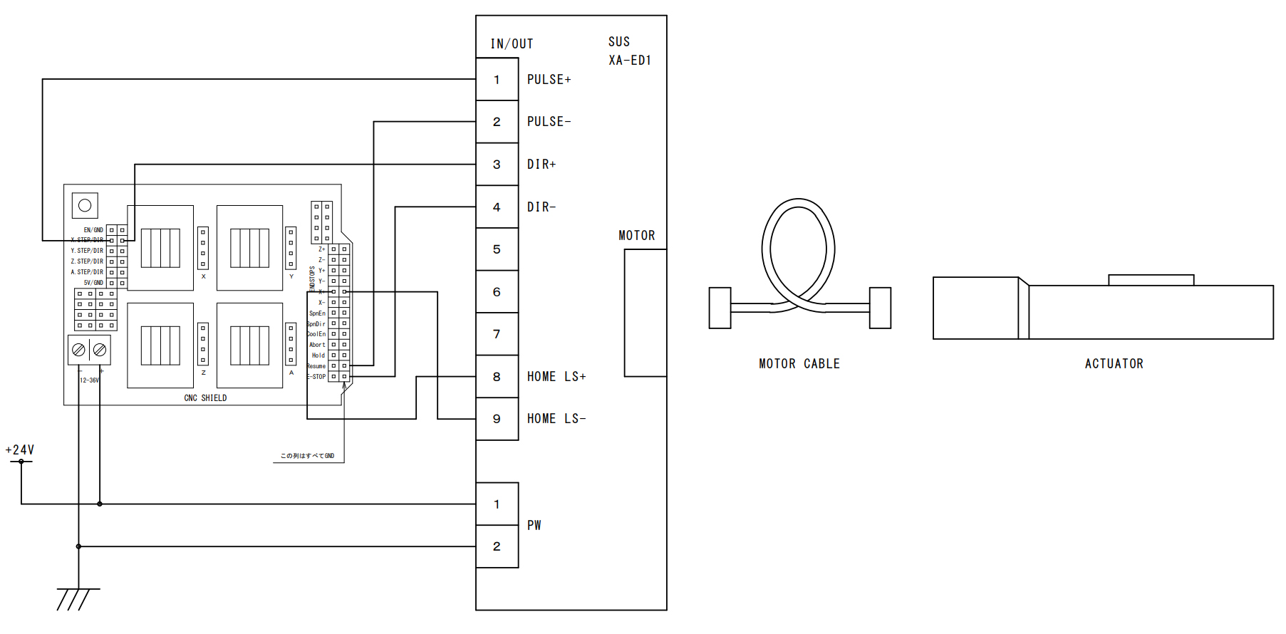
●接続例
Arduinoで動かすには、コネクタを下記のようにCNCシールドへ差し込んでください。(CNCシールドのコネクタがピンヘッダのため誤挿入を防止することができません。差し込み箇所を間違えないようご注意をお願いします。)


※今回の配線ではCNCシールドに搭載されているA4988ステッピングモータドライバモジュールを使用しません。このため上記写真の通り、X軸のところのドライバモジュールは引き抜いて使用しています。もし、CNCシールドに搭載のドライバモジュールで駆動させたい場合は、XA-ED1の取説の6-1ページに、アクチュエータから出ているコネクタのピンアサインが載っていますのでそちらを参考に配線を行ってください。
※一般的にリミットセンサは、その信号線を直接基板に接続しますが、このアクチュエータの場合、センサの信号線が一旦付属のドライバ(XA-ED1)に取り込まれ、「HOME LS」という端子に接続されています。このため「HOME LS」からCNCシールドのENDSTOPSのX+に接続しています。この配線もコネクタを差し込むだけで配線完了するようになっています。
●1軸または2軸のみで原点復帰を行う場合の注意点
grblの原点復帰動作はデフォルトでZ軸→XY軸という順序で動作するようになっているため、3軸揃っていなければ完了できません。しかし、プロッタのようにZ軸が不要であったり、1軸だけで使うような用途もあると思います。その場合は、こちらの資料の4ページに記載のように、config.hを変更することで、X軸だけまたは、XY軸のみで原点復帰が完了できるようになります。詳しくはこちら(grblのFAQ)をご覧ください。
●ドライバ(XA-ED1)の内部のDIPスイッチの設定
Arduinoに合わせて下記のように入力信号の電圧を5V、パルス方式を1パルス方式に設定してあります。 詳しくはXA-ED1の取説をご覧ください。


●設定例
下記は本製品を使う場合のArduinoの設定例です。モーターとセンサを先ほどの図の通りに差し込んで頂いた上で、下記の通りに設定しますと、実際のアクチュエータの移動量とgrblに表示される移動量が一致しますし、原点復帰も可能となります。

$100(1mmあたりのステップ数)の設定は、ボールネジのピッチが6ミリ、ステッピングモータの1周あたりのパルス数が400なので、400÷6=66.667となり、$100=66.667となります。 速度や加減速等の設定は用途に合わせて調整してください。
●商品の状態
多少汚れやキズがありますが、精度は保たれています。
動かすにあたり必要なものはすべて揃っています。
ArduinoやCNCシールド基板は付属しません。
なお、本体およびドライバに一切の変更は加えておりませんので、Arduinoでなくシーケンサや各種マイコンなど、お客さまのコントローラでも制御可能です。
・Arduino+CNCシールドは、こちら(Amazon)から購入したものを使用しています。
・そのArduinoには、最新版(v1.1)のGrblをアップロードしています。
このページでは大まかな説明のみとなっておりますので、より詳しい内容は、「Arduinoでメカトロニクス製品を動かそう」をご覧ください。
●接続例
Arduinoで動かすには、コネクタを下記のようにCNCシールドへ差し込んでください。(CNCシールドのコネクタがピンヘッダのため誤挿入を防止することができません。差し込み箇所を間違えないようご注意をお願いします。)


※今回の配線ではCNCシールドに搭載されているA4988ステッピングモータドライバモジュールを使用しません。このため上記写真の通り、X軸のところのドライバモジュールは引き抜いて使用しています。もし、CNCシールドに搭載のドライバモジュールで駆動させたい場合は、XA-ED1の取説の6-1ページに、アクチュエータから出ているコネクタのピンアサインが載っていますのでそちらを参考に配線を行ってください。
※一般的にリミットセンサは、その信号線を直接基板に接続しますが、このアクチュエータの場合、センサの信号線が一旦付属のドライバ(XA-ED1)に取り込まれ、「HOME LS」という端子に接続されています。このため「HOME LS」からCNCシールドのENDSTOPSのX+に接続しています。この配線もコネクタを差し込むだけで配線完了するようになっています。
●1軸または2軸のみで原点復帰を行う場合の注意点
grblの原点復帰動作はデフォルトでZ軸→XY軸という順序で動作するようになっているため、3軸揃っていなければ完了できません。しかし、プロッタのようにZ軸が不要であったり、1軸だけで使うような用途もあると思います。その場合は、こちらの資料の4ページに記載のように、config.hを変更することで、X軸だけまたは、XY軸のみで原点復帰が完了できるようになります。詳しくはこちら(grblのFAQ)をご覧ください。
●ドライバ(XA-ED1)の内部のDIPスイッチの設定
Arduinoに合わせて下記のように入力信号の電圧を5V、パルス方式を1パルス方式に設定してあります。 詳しくはXA-ED1の取説をご覧ください。


●設定例
下記は本製品を使う場合のArduinoの設定例です。モーターとセンサを先ほどの図の通りに差し込んで頂いた上で、下記の通りに設定しますと、実際のアクチュエータの移動量とgrblに表示される移動量が一致しますし、原点復帰も可能となります。

$100(1mmあたりのステップ数)の設定は、ボールネジのピッチが6ミリ、ステッピングモータの1周あたりのパルス数が400なので、400÷6=66.667となり、$100=66.667となります。 速度や加減速等の設定は用途に合わせて調整してください。
●商品の状態
多少汚れやキズがありますが、精度は保たれています。
動かすにあたり必要なものはすべて揃っています。
ArduinoやCNCシールド基板は付属しません。
なお、本体およびドライバに一切の変更は加えておりませんので、Arduinoでなくシーケンサや各種マイコンなど、お客さまのコントローラでも制御可能です。
在庫数
売り切れ