ホーム > ものづくり文化展 > kooky様の作品

ものづくり文化展

'', 'checked' => array(), ); $ss_id = $_COOKIE[$key]; if (! $ss_id) { return $result; } $database = yaml_parse_file($yml); $hash = $database[$env]; $mysql = mysql_connect($hash['host'], $hash['username'], $hash['password']); if (! $mysql) { return $result; } mysql_select_db($hash['database']); mysql_query('SET NAMES utf8'); $ss_id = mysql_real_escape_string($ss_id); $pref = mysql_query( "SELECT * FROM `preferences` WHERE `key` = '$ss_id';" ); if (! $pref || mysql_num_rows($pref) == 0) { return $result; } $row = mysql_fetch_assoc($pref); $result['user_name'] = $_COOKIE[$alive] ? $row['user_name'] : ''; $result['checked'] = syck_load($row['checked']); } return $result; } } $i = fetch_rails_info(); if (! empty($i['checked'])) { ?>

最近チェックした商品

手のひらサイズの倒立振子

製作者のコメント

倒立振子はジャイロセンサーの機体角度信号をフィードバックして二輪車の倒立状態を保つという原理で、メカトロニクス分野のモノづくり愛好家には魅力のあるアイテムです。まったくの白紙状態から6か月、製作機数4台目にして「手のひらサイズ(重量130g、幅90㎜)」に成功しました。古希が近づいた視力、頭脳、震える手先に苦労しましたがネット上にも手のひらサイズの倒立振子は数少ないかと一人満足しております。倒立させるだけでは芸がないので距離センサーを追加して障害物から一定距離を保つような動きをいれてみました。オプションでワイヤレス化も試作しています。

製作者の情報

製作者 kooky様
ブログ OLD MAKERS

主に使用している加工機械や部品

  • 加工機械
    電動ドリル、ハンドルーターなど手作業工具(本当はCNCフライス盤が欲しいのですが高嶺の花です)
  • 主要部品
    モータードライバー TA7291P
    ジャイロセンサー MPU6050
    マイコン ATMEGA328
    その他は回路図に記載

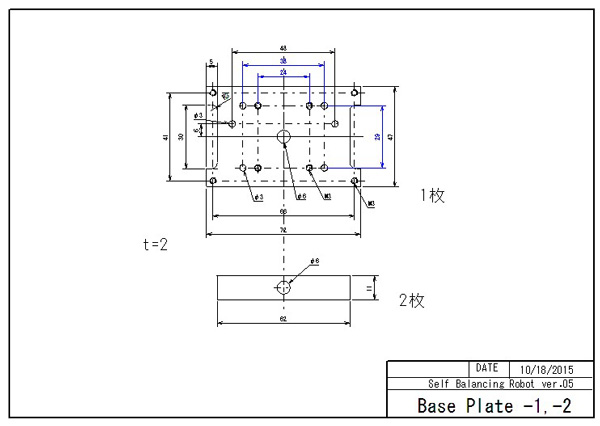
CADデータ

データファイル Download

写真

部品配置の検討のため仮組した基板(47×72㎜)、小型化のためジャイロセンサーは二層化とします。

基板裏面、極力ビニール線が少なくなるよう心がけていますが、この後は視力と手先に自信のないビニール線の半田付けが待っています。

機体裏側、電池ケース、モーター取付状況、モーターは瞬間接着剤でプレートに接着しています。

完成した基板、試作で使ったワイヤレスモジュールが載っています、基板の小型化はまだ可能なようです。

モーター、電池ケースを取り付けるプレート、アクリル板を手作業で加工します、こんな時CNCフライスがあればと思いますが高値の花です 。

動画

self balancing robot ver04


新妻一樹(ZumA2)様の作品 < 応募作品一覧:2015年 > Zak様の作品