ホーム > ものづくり文化展 > Paradise様の作品

ものづくり文化展

'', 'checked' => array(), ); $ss_id = $_COOKIE[$key]; if (! $ss_id) { return $result; } $database = yaml_parse_file($yml); $hash = $database[$env]; $mysql = mysql_connect($hash['host'], $hash['username'], $hash['password']); if (! $mysql) { return $result; } mysql_select_db($hash['database']); mysql_query('SET NAMES utf8'); $ss_id = mysql_real_escape_string($ss_id); $pref = mysql_query( "SELECT * FROM `preferences` WHERE `key` = '$ss_id';" ); if (! $pref || mysql_num_rows($pref) == 0) { return $result; } $row = mysql_fetch_assoc($pref); $result['user_name'] = $_COOKIE[$alive] ? $row['user_name'] : ''; $result['checked'] = syck_load($row['checked']); } return $result; } } $i = fetch_rails_info(); if (! empty($i['checked'])) { ?>

最近チェックした商品

B-ROBOT 3号機 mini

製作者のコメント

大きさの比較(電池込み) 左mini:H100*W105*D66.5=482g、右2号機:H140*W125*D83.5=672g

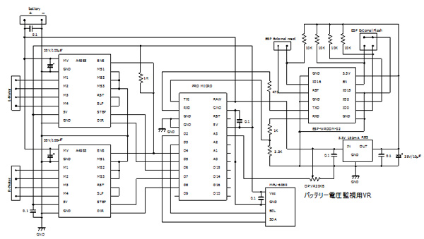
今回は少し小さいステッピングモータ(日本電産KH39FM2-022)を使ったminiサイズのB-ROBOTをCNCを活用して作ってみました。フレームは2号機と同じように5mm厚のアクリル板をCNCで切削加工して作りました。制御部は、Arduino Leonardo系のマイコンPro MicroとモータードライバーA4988、ジャイロモジュールMPU6050、WiFiモジュールESP-WROOM-02を、CNCでパターンを切削したマザーボードに載せました。CNCをお持ちの方には、簡単に加工出来るようにDXF形式の切削データーを添付しましたので活用して下さい。

また、製作の前にMENUページのNo.34・No.35のB-ROBOT1号機2号機と併せてご覧下さい。
先ずは、jjrobots社B-ROBOTのページを紹介します。jjrobots社では、B-ROBOTの回路図やsketchの他、躯体の3Dプリンターのデータまで公開されていて、部品の完成品も販売されています。B-ROBOTはリモコン操作にスマホやタブレットのWiFiを使いますが、完成基板のWiFiモジュールにESP-12Eを使用のため、電波法の関係で日本国内で使用できません。私は、ESP-12Eに替えて日本の技術基準適合証明が付いたESP-WROOM-02を使いました。ここでは変更部分の回路図を掲載に留め、必要な回路図やソフトウエアーはjjrobots社HPを参照して下さい。

製作者の情報

製作者 Paradise様
ブログ CNCの自作とCNCで作る工作

主に使用している加工機械や部品

  • マイコンArduino Pro Micro
  • ジャイロセンサー MPU-6050
  • ステッピングモータードライバ A4988
  • WiFiモジュール ESP-WROOME-02 [M-09607]
  • アルミ電解コンデンサー35V100μF
  • 3端子レギュレータ、3.3V150mA [I-09119]
  • 片面生基板 100×150mm
  • Oリング1A-P48A
  • ステッピングモーター KH39FM2-022
  • 基板用トグルスイッチ3P [P-00300]
  • ピンヘッダ 1X40(40P) [C-00167]
  • 分割ロングピンソケット1X42(42P)[C-05779]
  • ロープロファイルピンヘッダ(低オス) 1X40(40P)7.7mm [C-02900]
  • シングルピンソケット(低メス)1X14(14P)[C-C-00661]
  • アクリル板厚さ5㎜ 200×300mm
  • デジカメ用バッテリー(キャノンNB10L互換品)
  • その他線材及びビス類

写真

ステッピングモーターついて
今回は、少し小さい日本電産製のKH39FM2-022(未使用中古品)を購入しました。このステッピングモーターはステップ角1.8°巻き線抵抗15Ωの2相ユニポーラ型ですが、コイルの両端を使いバイポーラ接続として使いました。小さいですが先のB-ROBOT 1号機・2号機と同様にキビキビと動き回ります。モーターシャフトは長いので先端を10mmカットして使います。大きさの比較 左:KH39FM2-022(コネクターが無いので配線を直付けしました。) 右:2号機に使ったKH42HM2-801

マイコンとマザーボードについて
今回はマイコンにPro Micro互換品を使い、モータードライブモジュール、WiFiモジュール、ジャイロモジュールを1枚の基板に 収めるマザーボードをCNCでパターンを切削して作りました。しかし、片面基板なので少しジャンパー線の配線が必要です。 マザーボードのDXFファイル(ZIP)は「こちら」からダウンロード出来ます。 マザーボードの配線図(バッテリー電圧監視用VR20Kはオプションとして取り付けてません)

以下にマザーボードの製作及び各モジュールと部品の組み付け手順を示します。
マザーボードの切削パターン図(CAMソフトCut2Dのデザイン機能を使って作成)

CNCを使ってPCBのパターンを切削、切削用Vビットは2mmエンドミルの折れたものを再研磨して作ったので仕上がりは今一です。

1)部品面のジャンパー線と抵抗の取り付け

2)コンデンサー類の取り付け

3)基板ソケットとプラグの取り付け

4)基板ハンダ面に5本のジャンパー線を取り付け

5)完成したマザーボードに収めた制御部(基板サイズ69×49.5mm)

WiFiモジュールについて
国内で使える技適証明が付いたESP-WROOM-02を使います。しかし、WROOM-02は1.5mmピッチなので2.54mmピッチに変換する必要があります。専用の変換基板が市販されていますがサイズが大きいので、ここでは片面生基板にCNCでパターンを切削して作りました。左:変換基板の切削パターン図、中央:パターンを切削した片面基板、右:変換基板にESP-WROOM-02をハンダ付け完成品
変換基板のDXFファイル(ZIP)は「こちら」からダウンロード出来ます。

アクリルフレームとホイールの製作
今回も友人から頂いた5mm厚のアクリル板をCNCで加工したもので、下の参考画像はCAD図面のコピーです。フレームのDXFファイル(ZIP)は「こちら」からダウンロード出来ます。

切削が終わったフレームとホイール。

CNC加工以外に次の加工が必要です。
①側板にモーターと棚板取り付け穴に6.5mmドリルで皿ネジ用の沈め加工を行いますが、鍋頭ネジを使う場合は不要です。
②下段棚板:マザーボード基板を設置する棚で2.5mm下穴4か所にM3タップを切ります。
③上段棚板:電池とスイッチを取り付ける棚ですが、使用する電池に合わせて加工が必要です。
④上下棚板の両端に図面寸法書きの位置に側板固定用のネジ穴加工を、2.5mm下穴深さ8mmを開けてM3タップを切ります。
⑤ホイールハブに2.5mm下穴を開けてM3タップを切り、シャフト固定用のネジ穴加工をします。ホイールにアクリル接着剤を使ってで貼り付けます。

ホイールも同じアクリル板をCNCで加工して作り、外周にはタイヤのOリング入る溝を加工しますが、旋盤が無いのでボール盤を旋盤代わりに使い、丸ヤスリをバイト代わりにを使って溝を掘りました。ホイールのDXFファイル(ZIP)は「こちら」からダウンロード出来ます。

出来上がったフレームとホイール。

フレームにモーターと制御基板を取り付けた状態。

完成したB-ROBOT miniです。

私が使ったリチウムイオン電池NB-10Lを使う場合の参考画像。
電池から電流を取り出す電極のコレクター加工や電源スイッチの取り付けなどに工夫が必要です。

1号機・2号機に使ったCANONデジタルカメラ用LP-6E互換品の保護カバーを利用した出力用電極の取り出し方法も参考にして下さい。

動画

B ROBOT mini2


B ROBOT 2to3


オカモトラボ様の作品 < 応募作品一覧:2015年 > オカモトラボ様の作品